
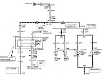
Ford Explorer Radio Wiring Diagram
Sabtu, 27 Februari 2021
Add Comment
1998 ford explorer radio wiring diagram,
2002 ford explorer radio wiring diagram,
2003 ford explorer radio wiring diagram,
2004 ford explorer radio wiring diagram,
2005 ford explorer radio wiring diagram,
2006 ford explorer radio wiring diagram,
ford explorer radio wiring diagram,
ford explorer stereo wiring diagram
Edit
Ford Explorer Radio Wiring Diagram . If you can't find your car stereo wiring diagram or car radio wiring diagram on Modified Life, ple...
Read More
