93 Plymouth Wiring Diagram
93 Plymouth Wiring Diagram. See more ideas about alternator, automotive repair, toyota corolla. What is electrical wiring diagram: An electrical wiring diagram (also known as a circuit diagram or electronic schematic) is a pictorial representation of an electrical circuit. vehicle wiring diagrams includes wiring diagrams for cars and wiring diagrams for trucks.
See more ideas about alternator, automotive repair, toyota corolla.
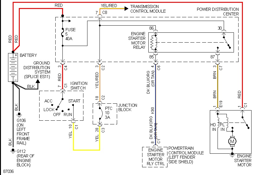
The following diagrams may differ slightly depending on vehicle year, or model (California or Federal).
Repair Guides Wiring Diagrams Wiring Diagrams AutoZone com. Master auto mechanic shows you the method that brings success to do it yourself electrical auto repair. Confirm that the diagram shown corresponds to your vehicle by referencing the factory repair manual.





0 Response to "93 Plymouth Wiring Diagram"
Posting Komentar