99 Ford Truck Wiring Diagram

99 Ford Truck Wiring Diagram. An alternative to the FSM is alldatadiy.com. Ford truck wire color and gauge chart.

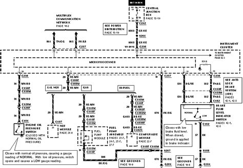
99 Ford F 350 Wire Diagram - Wiring Diagram Networks
99 Ford F 350 Wire Diagram - Wiring Diagram Networks (Francis Holland)
Free Ford wiring diagrams for your car or truck engine, electrical system, troubleshooting, schematics, free ford wiring diagrams. PLEASE READ: Most of the wiring diagrams posted on this page are scans of original Ford diagrams, not aftermarket reproductions. CARGO ABS ASR System Wiring Diagram.

Please select your desired model below.

CARGO ABS ASR System Wiring Diagram.

2008 Ford F150 Radio Wiring Diagram / Ford F 150 Xl Radio ...

99 Ford F150 Fuse Box - Wiring Diagram Networks

1999 Ford F150 Trailer Wiring Diagram | Trailer Wiring Diagram

99 F150 Trailer Wiring Diagram | Trailer Wiring Diagram

Grey plug under dash - what is it? - Page 2 - F150online ...

2006 ford F150 Wiring Diagram | Free Wiring Diagram

2006 ford F150 Wiring Diagram | Free Wiring Diagram

1999 F150 Wiring Diagram - Wiring Diagram and Schematic

99 Ford F 350 Wire Diagram - Wiring Diagram Networks

Ford Wiring Diagrams - Free download as PDF File (.pdf), Text File (.txt) or view presentation slides online. Ford truck wire color and gauge chart. Diagnose and fix with Ford Wipers wiring diagram.

Subscribe to receive free email updates:

0 Response to "99 Ford Truck Wiring Diagram"

Posting Komentar